首页
产品中心
通用型变频器
G630系列通用矢量控制变频器
G300系列开环矢量控制变频器
G680高性能闭环矢量变频器
G280系列书本型矢量控制变频器
一体机及专机
制动单元
伺服驱动器
中高频电源
关于我们
公司简介
公司新闻
荣誉资质
企业文化
服务与支持
常见问题
资料下载
解决方案
联系我们
首页
产品中心
通用型变频器
一体机及专机
制动单元
伺服驱动器
中高频电源
关于我们
公司简介
公司新闻
荣誉资质
企业文化
服务与支持
常见问题
资料下载
解决方案
联系我们
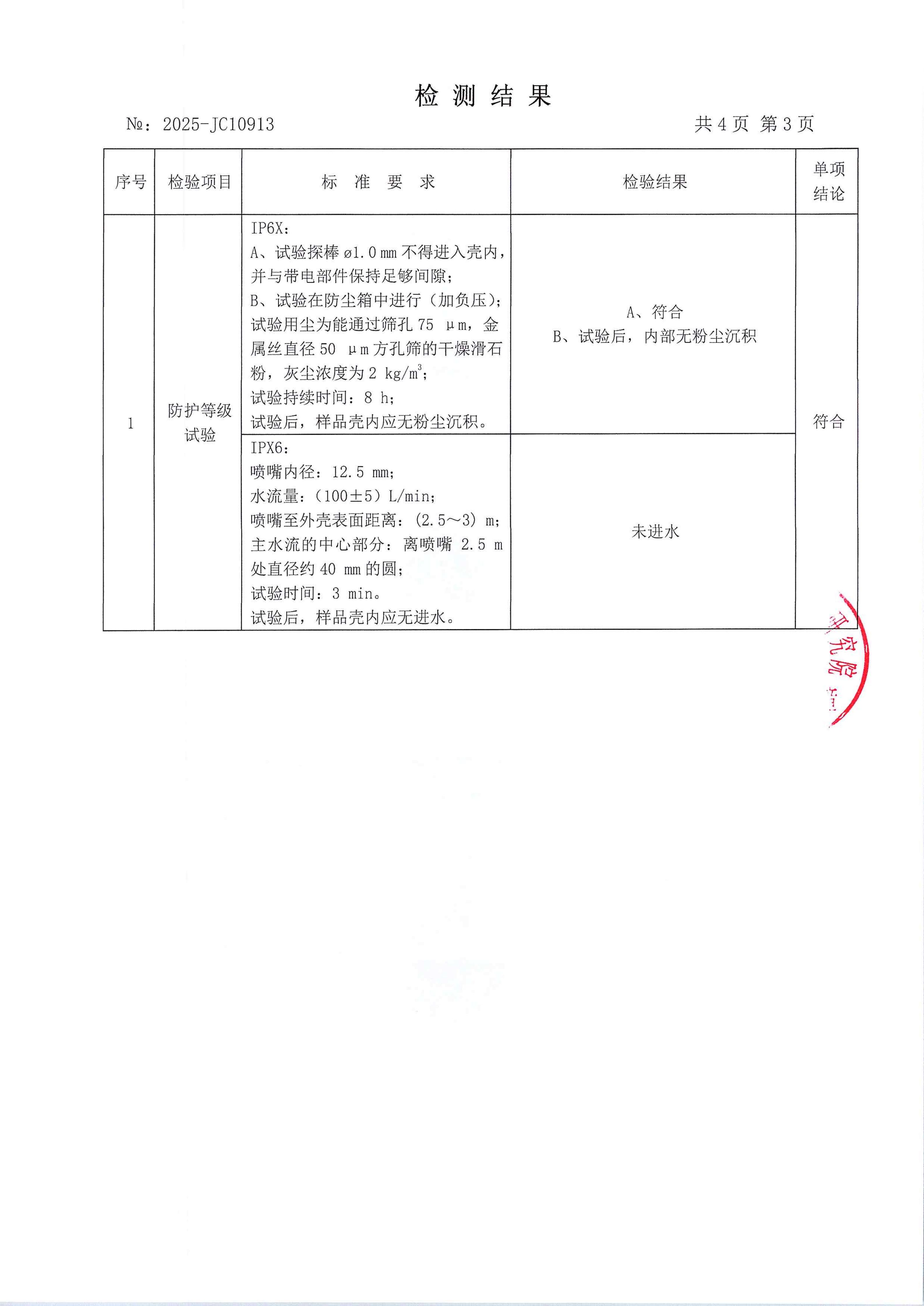
G630-HP高防护变频器检测报告
上一:
外观设计专利(二)
下一:
CSXR-241288+一种应用于变频器上的散热装置
工业自动化系统解决方案提供商
手机:13793608719
邮件:191154516@qq.com
地址:佛山市禅城区祖庙街道朝安南路丰收街
产品中心
常见问题
解决方案
联系我们
微信官方公众号
佛山誉之强电气技术有限公司
版权所有
粤ICP备2026035829号
技术支持:
友点软件